Material // Stainless steel SUS304 2B
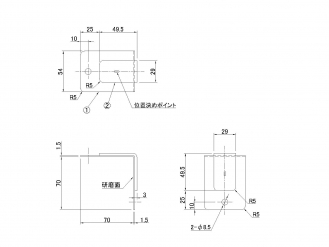
Dimensions/Main body/Height: 54mm, Length: 70x70mm, Thickness: 1.5mm Reinforcement spacer/Thickness: 3.0mm, Weight: 0.144kg
Dimensions // PDF dimensional drawing of JB aluminum side bumper 70H corner bracket A-type bracket for outrigger
Surface treatment // Fabric
Specifications // Outrigger section C-shaped connecting bracket, for JB aluminum side bumper 70H only

[Product Features]
*This is a connecting bracket for forming the U-shaped part of the outrigger on the JB Aluminum Side Bumper 70H. It is used by combining the A-type, A-type bracket, B-type bracket with the JB Aluminum Side Bumper 70H and mounting bracket.

[ How to assemble the corner brackets for the JB Aluminum Side Bumper 70H for outriggers ]
How to assemble the corner brackets for the JB Aluminum Side Bumper 70H for outriggers
Component part for one side of the U-shaped part of the outrigger
JB Aluminum Side Bumper 70H for Outriggers, Corner Brackets, Type A x 2
JB Aluminum Side Bumper 70H for Outriggers Corner Brackets A-Type x 2
JB Aluminum Side Bumper 70H for Outriggers, Corner Brackets, Type B x 2
JB Aluminum Side Bumper Mounting Bracket x 8
JB Aluminum Side Bumper 70H Body L=2500 x 1pc

◆Please read
*This product is a special order item.
*This product cannot be returned. Thank you for your understanding. ⇒About cancellations and returns

Notice from e-Concierge

Knowledge base articles related to the product

Other related articles

Write a review!

No review on this item...

1134945 new
日本ボデーパーツ工業
Select language