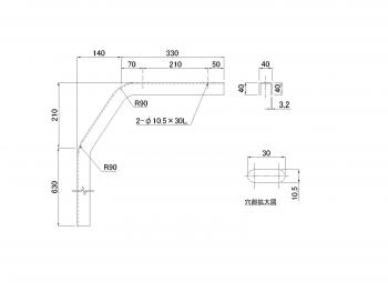
材質//ペンタイト(鉄製SS400)
寸法//板厚:3.2mm、重量:3.16kg
寸法図//
表面処理//溶融亜鉛メッキ
※設置の際、必ずアングル状の補助ステーで補強を行って下さい。折れる原因となります。
※補助ステーは付属しておりません。
◆必ずお読み下さい
⇒キャンセル・ご返品について
eコンシェルジュからのお知らせ
商品に関連した知識データベースの記事
その他の関連記事はこちら
現在商品レビューはありません....
材質//ペンタイト(鉄製SS400)
寸法//板厚:3.2mm、重量:3.16kg
寸法図//
表面処理//溶融亜鉛メッキ
※設置の際、必ずアングル状の補助ステーで補強を行って下さい。折れる原因となります。
※補助ステーは付属しておりません。
◆必ずお読み下さい
⇒キャンセル・ご返品について
現在商品レビューはありません....