材質//鉄製SS400
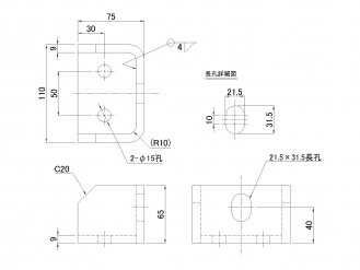
寸法//幅:110×長さ:75mm、厚み:65mm、板厚:9mm、滑り止めボルト穴:21.5-31.5mm長穴、シャーシ穴:2-φ15mm、重量:1.39kg
寸法図//
表面処理//黒塗装
仕様//日野大型(2017年5月~)のシャーシの穴ピッチに適合 ※架装要領書に基づき取付を行って下さい
【製品の特徴】
日野大型(2017年5月~)のシャーシは、穴明けが禁止されております。本製品は、日野大型(2017年5月~)のシャーシの穴ピッチに適合し、シャーシへのボルト止めを可能にした、滑り止め金具(ズリ止めボルト受け)です。
【ご注意事項】
〇シャーシメーカーの架装要領書に基づき取付を行って下さい。
◆必ずお読み下さい
※本製品は、御取り寄せ品です。
※本製品は、ご返品不可です。ご了承下さい。 ⇒キャンセル・ご返品について
eコンシェルジュからのお知らせ
商品に関連した知識データベースの記事
その他の関連記事はこちら
現在商品レビューはありません....






