カテゴリ一覧

材質//ステンレスSUS304 BA
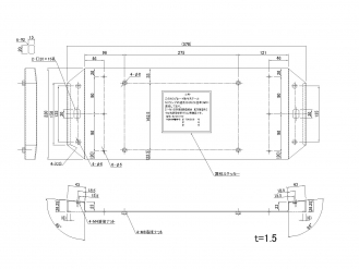
寸法//高さ:220×幅:578×厚み:28.25(48.8)mm(ナンバーランプ取付時)、板厚:1.5mm、重量:1.64kg
寸法図//車検対応ナンバーステー LSL-1014ナンバーランプ取付ステー 大型用 横2灯のPDF寸法図
表面処理//BA
仕様//大型用、表面に保護用のビニール張り、車検対応、横2灯仕様

【商品説明】
2020年9月15日以降に新規登録する車両には、ECE R4の技術基準を満足したナンバーランプをECE認証取得時に定められたナンバープレートとの位置関係を守って設置する事が義務付けになります。本ナンバーランプ取付ステーは、この基準に適合しております。

【特徴】
〇ECE認証取得時に定められた、ナンバープレートとナンバーランプの位置関係を守った取付ステーです。
〇一般財団法人日本車両検査協会で配光・入射角度を測定し試験成績書を取得しています。

【試験成績書】
車検対応ナンバーステー LSL-1014ナンバーランプ取付ステー 大型用 横2灯:試験成績書 第 T96209 号

【ご注意事項】
※2020年9月15日以降の新規登録に使用できます。新規登録の際、試験成績書を添付してください。
※車両に取付る際は、車両保安基準に沿って取付けてください。

◆必ずお読み下さい 
※本製品は、御取り寄せ品です。
※本製品は、ご返品不可です。ご了承下さい。 ⇒キャンセル・ご返品について

eコンシェルジュからのお知らせ

商品に関連した知識データベースの記事

その他の関連記事はこちら

レビューを書きませんか?

現在商品レビューはありません....

あわせて買う

合計価格 :
15,290円

この商品と ステンレス 超薄型ナンバー枠 大型用 角タイプ をあわせて買う

合計価格 :
18,920円


8200150 new
日本ボデーパーツ工業
言語選択