材質//EPDM 合成ゴム
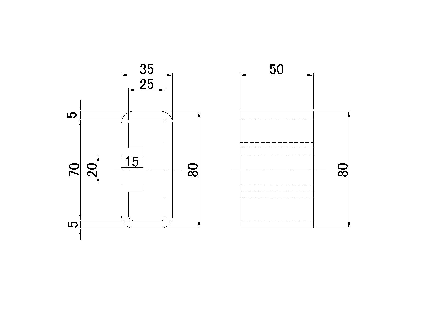
寸法//横:50×縦:80mm、板厚み:5mm、重量:0.075kg
寸法図//
仕様//JB アルミサイドバンパー 本体 70H用、リベット又は接着剤で固定してください
【製品の特徴】
〇アルミサイドバンパーのキットです。パーツを組み合わせることで、サイドバンパーを構成できます。JB アルミサイドバンパー 本体保護ゴム 70H用 L=50は、トラックのアオリを開いた時にサイドバンパーに接触する事で発生するキズやへこみから、アオリやサイドバンパーを保護する為の商品です。
【JB アルミサイドバンパー 本体保護ゴム 70H用 L=50の取付方法】
JB アルミサイドバンパー 70H 本体に、JB アルミサイドバンパー 本体保護ゴム 70H用 L=50をかぶせて取付てください。外れないように、必ずリベット又は接着剤で固定してください。
【JB アルミサイドバンパーの組み立て方法】
〇JB アルミサイドバンパー本体と、コーナー部の取付方法
コーナー部に六角ボルトM8×20を1本を入れ、本体端より差し込み、コーナー裏板 (アルミ押出し品用)をかぶせて、ボルトを六角ナットM8、スプリングワッシャM8、平ワッシャーM8で止めてください。(※JIS M8六角ボルトを使用してください)
【ご注意事項】
〇JB アルミサイドバンパーの組み立てに必要な、六角ボルトM8×20、六角ナットM8、スプリングワッシャM8、平ワッシャーM8は付属しておりません。お客様でご用意ください。
【JB アルミサイドバンパーの使用例 車両への設置イメージ】
◆必ずお読み下さい
※本製品は、御取り寄せ品です。
※本製品は、ご返品不可です。ご了承下さい。 ⇒キャンセル・ご返品について
eコンシェルジュからのお知らせ
商品に関連した知識データベースの記事
その他の関連記事はこちら
現在商品レビューはありません....





