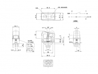
寸法//横:21.7×縦:41.4mm
寸法図//
配線例//
仕様//スイッチ種類:シーソースイッチ、スイッチ分類:ON-OFF、定格:DC24V-10A、表示:文字なし-OFF、LED内蔵、ふそう大型(2017年5月~)・中型(2019年10月~)・小型(2024年2月~)用、※専用ハーネスJB-65-66を使用
【商品説明】
〇運転席ダッシュボード等のスイッチ取付口に嵌め込んで使用するタイプのスイッチです。
〇LED内蔵ですので、配線仕様によってスモール連動またはON-OFF連動によって照光します。
【ご注意点】
〇JB キャブ内スイッチ ふそう大型(2017年5月~)・中型(2019年10月~)・小型(2024年2月~)用を取り付けの際は、必ずJB キャブ内スイッチ用ハーネス JB-65-66 ふそう大型(2017年5月~)・中型(2019年10月~)・小型(2024年2月~)専用を使用ください。JB キャブ内スイッチ用ハーネス 4本線 JB-503を使用した場合、カプラのロックが掛からずハーネスが外れてしまいます。
〇JB キャブ内スイッチ用ハーネス JB-65-66 ふそう大型(2017年5月~)・中型(2019年10月~)・小型(2024年2月~)専用は、ロック付圧着端子を採用しております。スイッチに取り付ける際は、ロックされるまで確実に押し込んでください。また一度スイッチに装着すると、圧着端子は抜けません。無理に外すと破損の恐れがありますので、作業時には十分注意して下さい。
※JB キャブ内スイッチ JB-66シリーズ ふそう大型(2017年5月~)・中型(2019年10月~)・小型(2024年2月~)用の接続には、スチッチ1個に対して「JB キャブ内スイッチ用ハーネス JB-65-66 ふそう大型(2017年5月~)・中型(2019年10月~)・小型(2024年2月~)専用」を1本と、DC24V用のリレー「汎用リレー ACA-1223 CA1a (DC24V)」を1個、リレー用のハーネス「JB キャブ内スイッチ用ハーネス 4本線 JB-503」 お使い下さい。
【取付け上の注意】
●キャブ内スイッチには必ずリレーを使用して下さい。
●コイル負荷(容量の大きなモーター、ソレノイド、コイル、クラッチ等)が掛からないようにして下さい。
※【配線例】をご確認下さい。
◆必ずお読み下さい
⇒キャンセル・ご返品について
eコンシェルジュからのお知らせ
商品に関連した知識データベースの記事
その他の関連記事はこちら
現在商品レビューはありません....








