材質//ABS樹脂
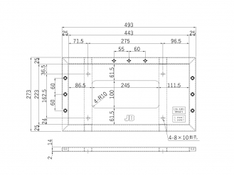
寸法//高さ:273×幅:493×厚み:16mm、重量:0.38kg
寸法図//
表面処理//クロームメッキ
仕様//大型用、※別売のLSL-1014AV取付台が必要です
JANコード:4909002933711
【商品説明】
2020年9月15日以降に新規登録する車両には、ECE R4の技術基準を満足したナンバーランプをECE認証取得時に定められたナンバープレートとの位置関係を守って設置する事が義務付けになります。この樹脂ナンバー枠は、別売のナンバーランプLSL-1014AV取付台を組み合わせる事で、大型トラック向けのこの基準に適合させることが出来ます。別売のナンバーランプLSL-1014AV取付台は、縦1灯用と横2灯用にの二種類が販売されております。樹脂製の為、ステンレス製と比較して安価で価格変動も少ないのが特徴です。
【特徴】
〇別売のナンバーランプLSL-1014AV取付台を組み合わせる事で、ECE認証取得時に定められたナンバープレートとナンバーランプの位置関係を守ることが出来ます。
〇一般財団法人日本車両検査協会で配光・入射角度を測定し試験成績書を取得しています。
【車検対応 LSL-1014対応 LSN-N001 樹脂ナンバー枠 角型 大型用の縦1灯の組み合わせ】
車検対応 LSL-1014対応 LSN-N001 樹脂ナンバー枠 角型 大型用 ×1
LSL-1014AV取付台 LSN-D001 樹脂ナンバー枠 大型縦1灯用 ×1
LEDナンバーランプ LSL-1014AV ECE認証(DC12/24V共用) ×1
若しくはLEDナンバーランプ LSL-1014AV ECE認証(DC12/24V共用) 防水コネクタ付 ×1 と、コネクタ接続ハーネス ×1
【車検対応 LSL-1014対応 LSN-N001 樹脂ナンバー枠 角型 大型用の横2灯組み合わせ】
車検対応 LSL-1014対応 LSN-N001 樹脂ナンバー枠 角型 大型用 ×1
LSL-1014AV取付台 LSN-D002 樹脂ナンバー枠 大型横2灯用 ×1
LEDナンバーランプ LSL-1014AV ECE認証(DC12/24V共用) ×1
若しくはLEDナンバーランプ LSL-1014AV ECE認証(DC12/24V共用) 防水コネクタ付 ×1 と、コネクタ接続ハーネス ×1
【車検対応 LSL-1014対応 樹脂ナンバー枠のLSL-1014AV取付台の取り付け手順 横2灯の事例】
【ご注意事項】
※2020年9月15日以降の新規登録に使用できます。新規登録の際、試験成績書を添付してください。
※車両に取付る際は、車両保安基準に沿って取付けてください。
◆必ずお読み下さい
※本製品は、御取り寄せ品です。
※本製品は、ご返品不可です。ご了承下さい。 ⇒キャンセル・ご返品について
eコンシェルジュからのお知らせ
商品に関連した知識データベースの記事
その他の関連記事はこちら
現在商品レビューはありません....








