材質//スリーブ:炭素鋼/ボルト:クロムモリブデン鋼
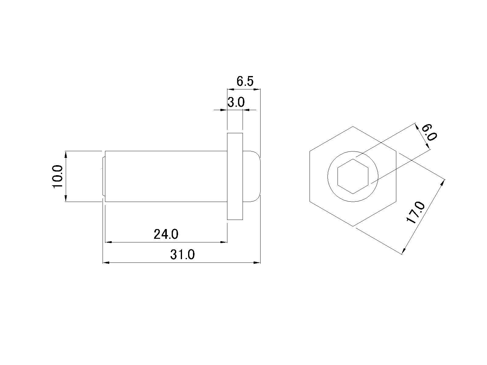
寸法//径:10.0mm、首下長さ:24.5mm、全長:31.0mm、接合板厚:7.0~9.0mm
寸法図//
表面処理//三価クロメート
専用工具が必要です。
◆必ずお読み下さい
⇒キャンセル・ご返品について
eコンシェルジュからのお知らせ
商品に関連した知識データベースの記事
その他の関連記事はこちら
現在商品レビューはありません....
材質//スリーブ:炭素鋼/ボルト:クロムモリブデン鋼
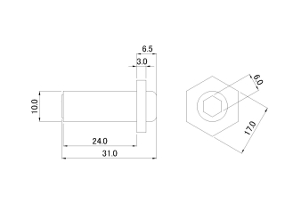
寸法//径:10.0mm、首下長さ:24.5mm、全長:31.0mm、接合板厚:7.0~9.0mm
寸法図//
表面処理//三価クロメート
専用工具が必要です。
◆必ずお読み下さい
⇒キャンセル・ご返品について
現在商品レビューはありません....