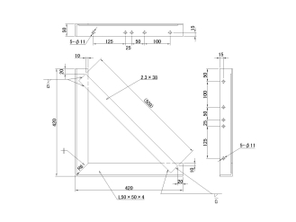
材質//鉄製SS400
寸法//奥行:420×高さ:420mm、幅:50mm、板厚:4.0mm、重量:5.56kg
寸法図//
表面処理//カチオン電着塗装
仕様//奥行×高さが各400mm以上の工具箱に適合、左右セット
【商品説明】
鉄製の工具箱ステーです。カチオン電着塗装品で、下塗り不要です。このまま仕上げ塗装を行ってください。奥行×高さが各400mm以上の工具箱に適合します。
◆必ずお読み下さい
※本製品は、御取り寄せ品です。
※本製品は、ご返品不可です。ご了承下さい。 ⇒キャンセル・ご返品について
eコンシェルジュからのお知らせ
商品に関連した知識データベースの記事
その他の関連記事はこちら
現在商品レビューはありません....






