材質//鉄製
寸法//重量:5.25kg
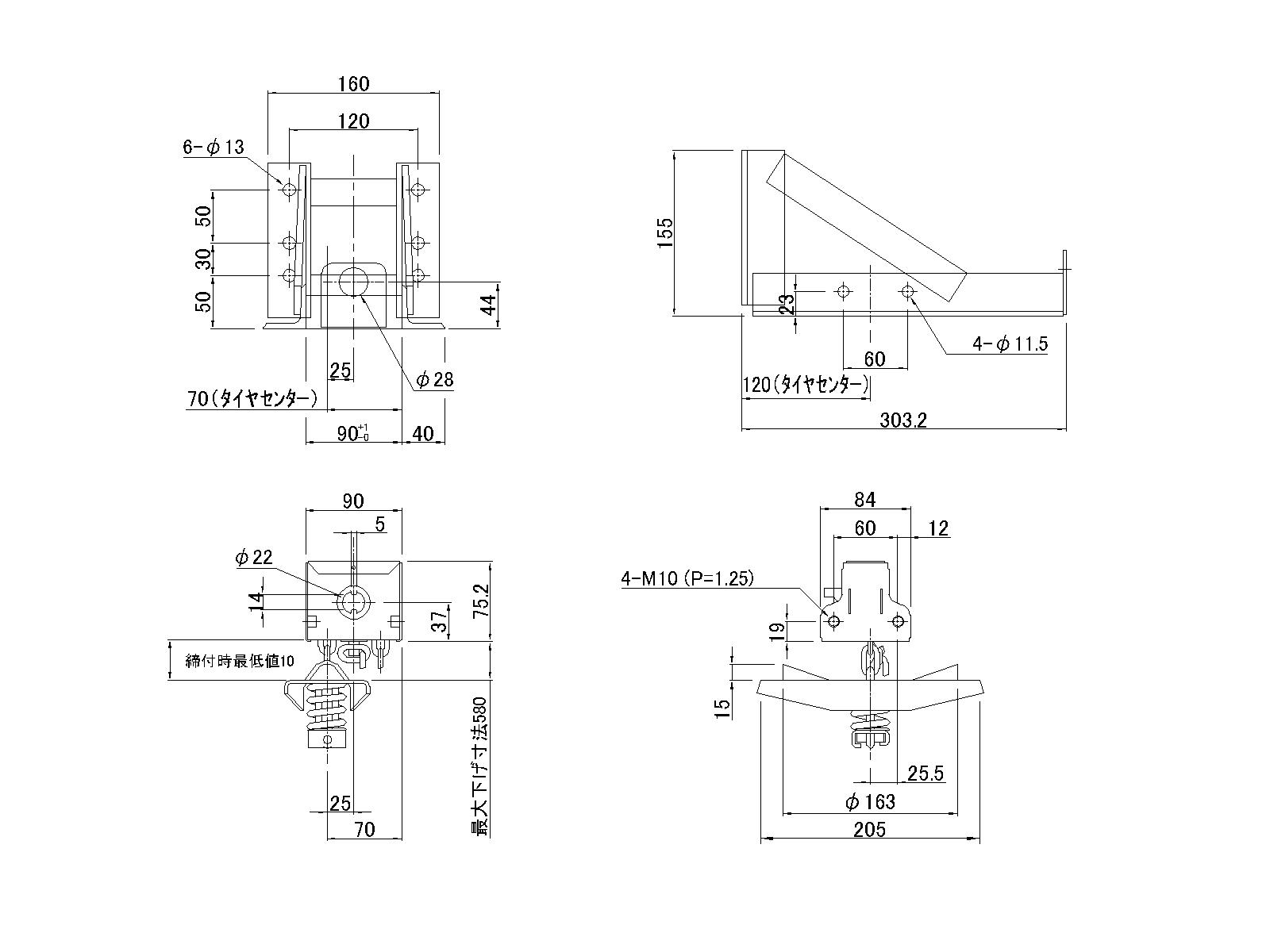
寸法図//
表面処理//黒塗装
仕様//中型トラック用、適用タイヤハブ径:φ164、最大吊タイヤ重量:65kg、口金形状:ジャッキハンドル型、サイド吊用
【商品紹介】
中型トラックのタイヤハブ径:φ164専用のスペアタイヤを格納する装置です。ブラケット付きで、サイド吊専用です。ハンドルの口金形状が、ジャッキハンドル型です。
【重要】
本製品は、取扱いを間違いますと重大な事故の原因となる商品です。添付の取扱説明書を良くお読みいただき、必ず取付け方法・使用方法をお守り下さい。
【スペアタイヤキャリア点検の義務化】 国交省方針 ※2018年10月1日施行
点検基準を改正し、車両総重量8トン以上または乗車定員30人以上の大型自動車のスペアタイヤとその取付装置の状態を、事業用自動車の定期点検の基準を、3カ月ごとに行う点検項目に追加する。点検の内容はスペアタイヤ取付装置の緩み、がた及び損傷や、スペアタイヤの取付状態、ツールボックスの取付部の緩み及び損傷。点検整備手引も改正し、スペアタイヤの取付装置の緩み、がた、損傷がないかの点検などを加える。
◆必ずお読み下さい
※本製品は、御取り寄せ品です。
※本製品は、ご返品不可です。ご了承下さい。 ⇒キャンセル・ご返品について
eコンシェルジュからのお知らせ
商品に関連した知識データベースの記事
その他の関連記事はこちら
現在商品レビューはありません....




