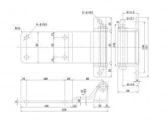
材質//ステンレスSUS304
寸法//板厚:5.0mm、ピン径:φ12.7、重量:1.26kg
寸法図//
※図は全て左用を示す
表面処理//#400研磨(おもて面のみ)
仕様//右用、4穴
シンプルなデザインのステンレス製のバンボディ用リヤ観音扉蝶番です。珍しい4穴仕様です。主に、中型・小型トラックのバンボディ、保冷車、冷凍車用としてお使いいただけます。
◆必ずお読み下さい
※本製品は、御取り寄せ品です。
※本製品は、ご返品不可です。ご了承下さい。 ⇒キャンセル・ご返品について
eコンシェルジュからのお知らせ
商品に関連した知識データベースの記事
その他の関連記事はこちら
現在商品レビューはありません....







