材質//鉄製SS400
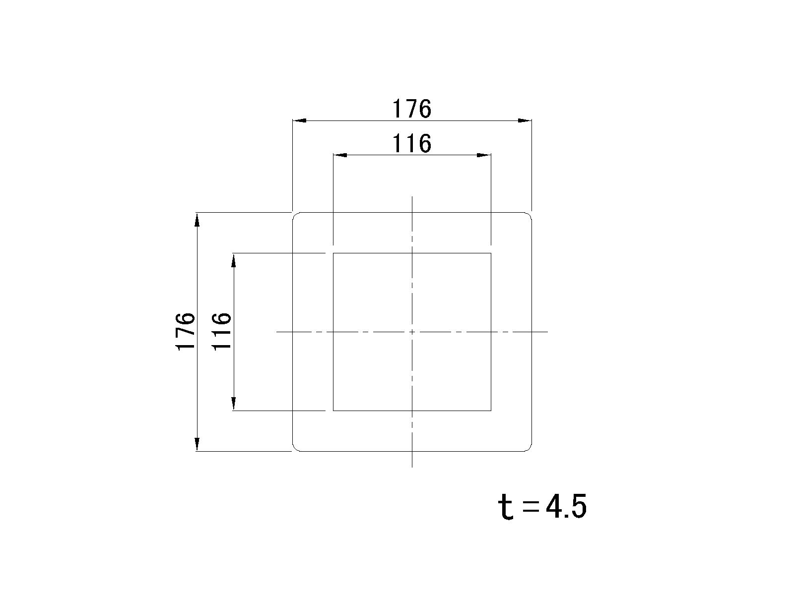
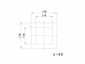
寸法//外寸:176×176mm、内寸:116×116mm、板厚:4.5mm
寸法図//
表面処理//カチオン電着塗装
仕様//スタンションガイド本体100×100mm用の上部板、※木材運搬用
※スタンションガイド本体を設置する際、スタンションガイド本体の差し込み口に上部板を付け、トレーラーの床面に埋め込みます。
※スタンションガイド本体 木材運搬用専用です。
◆必ずお読み下さい
⇒キャンセル・ご返品について
eコンシェルジュからのお知らせ
商品に関連した知識データベースの記事
その他の関連記事はこちら
現在商品レビューはありません....




