材质//ABS树脂
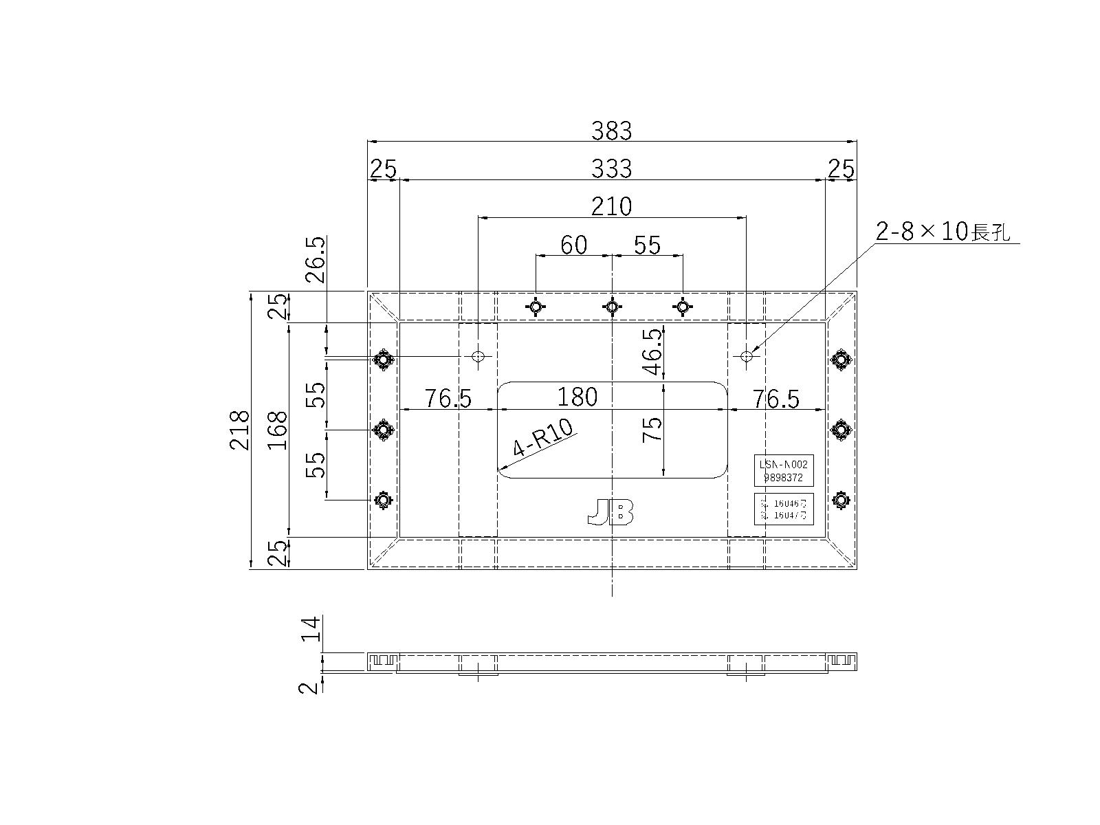
尺寸:高:218 x 宽:383 x 厚:16 毫米,重量:0.25 千克
方面 // 
表面处理 // 镀铬
规格 // 适用于中小型设备,*需要 LSL-1014AV 安装支架(单独出售)
JAN代码:4909002933728
[产品描述]
2020年9月15日之后新注册的车辆必须配备符合ECE R4技术标准的牌照灯,并按照ECE认证时的规定安装在相对于牌照的正确位置。此塑料牌照框可与另售的牌照灯LSL-1014AV安装底座配合使用,使其符合中小型卡车的该标准。另售的牌照灯LSL-1014AV安装底座有两种类型:一种用于垂直灯,一种用于水平灯。由于采用塑料材质,因此比不锈钢材质更便宜,价格波动较小。
【特征】
* 通过与另售的牌照灯安装支架LSL-1014AV组合,可以保持ECE认证时规定的牌照和牌照灯之间的位置关系。
- 光分布和入射角已由一般财团法人日本车辆检查协会测量,并已获得测试报告。
[符合车辆检验标准的 LSL-1014 兼容 LSN-N002 塑料牌照框,方形,垂直 1 灯组合,适用于中小型车辆]

符合车辆检验标准 LSL-1014 符合 LSN-N002 塑料车牌框,方形,适用于中小型车辆x 1
LSL-1014AV 安装支架 LSN-D003 适用于中小型垂直灯的塑料号码牌框架 1 灯x 1
LED牌照灯 LSL-1014AV ECE认证(DC12/24V兼容) x 1
或LED 牌照灯 LSL-1014AV ECE 认证(兼容 DC12/24V),带防水连接器x 1 和连接器连接线束 x 1
[符合车辆检验标准的 LSL-1014 兼容 LSN-N002 塑料牌照框,方形,两个水平灯组合,适用于中小型车辆]

符合车辆检验标准 LSL-1014 符合 LSN-N002 塑料车牌框,方形,适用于中小型车辆x 1
LSL-1014AV 安装支架 LSN-D004 适用于中小型水平的塑料号码牌框架 2 盏灯x 1
LED牌照灯 LSL-1014AV ECE认证(DC12/24V兼容) x 2
或LED 牌照灯 LSL-1014AV ECE 认证(兼容 DC12/24V),带防水连接器x 2 和连接器连接线束 x 1
[符合车辆检验标准的 LSL-1014 的 LSL-1014AV 安装底座(带塑料牌照框)的安装程序(两个水平灯的示例)]

[笔记]
*适用于2020年9月15日后新注册,注册时请附上检测报告。
*安装在车辆上时,请按照车辆安全标准进行安装。
◆请阅读
*本产品为特殊订购商品。
※本商品无法退货。敬请谅解。⇒关于取消及退货
电子礼宾服务通知
与产品相关的知识库文章
其他相关文章
现在没有商品评价……







