寸法//横:22.8×縦:41.8mm
寸法図//
仕様//定格:DC12~24V-10A、ふそうキャンター(2010.11~)用 ※キャンター(2024年2月〜):取付け不可、切替用
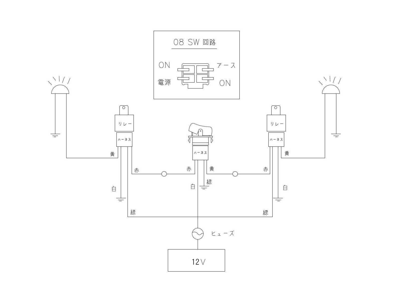
○接続には、こちらのハーネスと、DC24V若しくはDC12Vのリレーをお使い下さい。
キャブ内スイッチ用ハーネス 4本線
汎用リレー ACA1223(DC24V)
汎用リレー ACA1213(DC12V)
※コイル負荷(容量の大きなモーター、ソレノイド、コイルクラッチ等)が掛からないようにして下さい。
【リレー選定時のご注意事項】
2015年型ブルーテックキャンターより、標準仕様の電圧がDC12Vに変更されました。しかし有料のメーカーオプションで、架装用電源をDC24Vに変更可能なのでリレー・スイッチ・ランプ類の選定時には、以前にも増して注意深く電源電圧をご確認頂く必要がございます。特にリレーやランプ類は、異なる電圧で使用されると破損や火災の原因となります。必ず正しい仕様の物をお使い下さい。
※2014年型以前のブルーテックキャンターは、キャブ内(オーディオ・ETC・ナビ・テールランプ等)はDC12V、架装用電源はDC24Vと別れておりました。
【仕様詳細】
定格:DC12~24V-10A
接触抵抗:初期値20mΩ以下(コードを含まない)
絶縁抵抗:DC500Vにて10MΩ以上
耐電圧:AC500Vにて1分間耐える事
操作荷重:0.7±0.3Kg・f
使用電圧範囲:DC12~DC28V
使用温度範囲:-20℃~60℃
※ELV対応品
【取付け上の注意】
●キャンター(2024年2月〜):取付け不可です。
●キャブ内スイッチには必ずリレーを使用して下さい。
●コイル負荷(容量の大きなモーター、ソレノイド、コイル、クラッチ等)が掛からないようにして下さい。
※【配線例】をご確認下さい。
◆必ずお読み下さい
⇒キャンセル・ご返品について
eコンシェルジュからのお知らせ
商品に関連した知識データベースの記事
その他の関連記事はこちら
現在商品レビューはありません....







