Material //EPDM Hardness 75
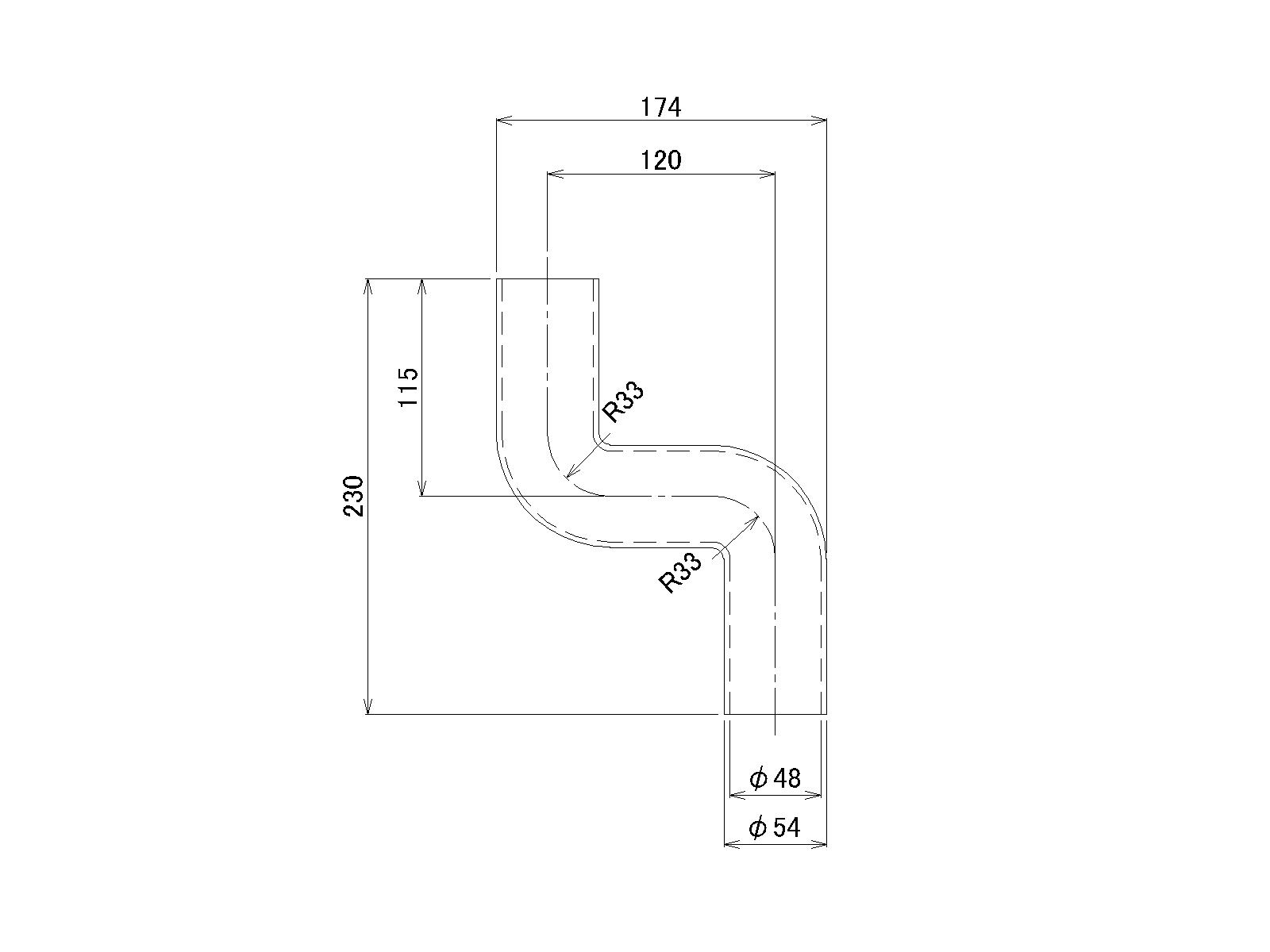
Dimensions // Diameter: 48mm, Length: 230mm (115 x 120 x 115mm), Thickness: 3.0mm, Weight: 0.179kg
Dimensions // 
[Product Description]
This is an S-shaped drain hose, φ48 (t=3.0), for use in refrigerated and frozen trucks. This cranked drain hose is recommended for use in refrigerated and frozen trucks where a straight hose would interfere with the body structure. Use it in conjunction with our new φ50 drain pipe with band and φ50 drain hose .
[Notes]
When inserting the S-type drain hose φ48 (t=3.0) into the new model drain pipe φ50 with band , it is very hard because the pipe diameter is originally for φ50.
◆Please be sure to read
*This product is a special order item.
*This product cannot be returned. Thank you for your understanding. ⇒About cancellations and returns
Notice from e-Concierge
Knowledge base articles related to the product
Other related articles
No review on this item...