材質//鉄製
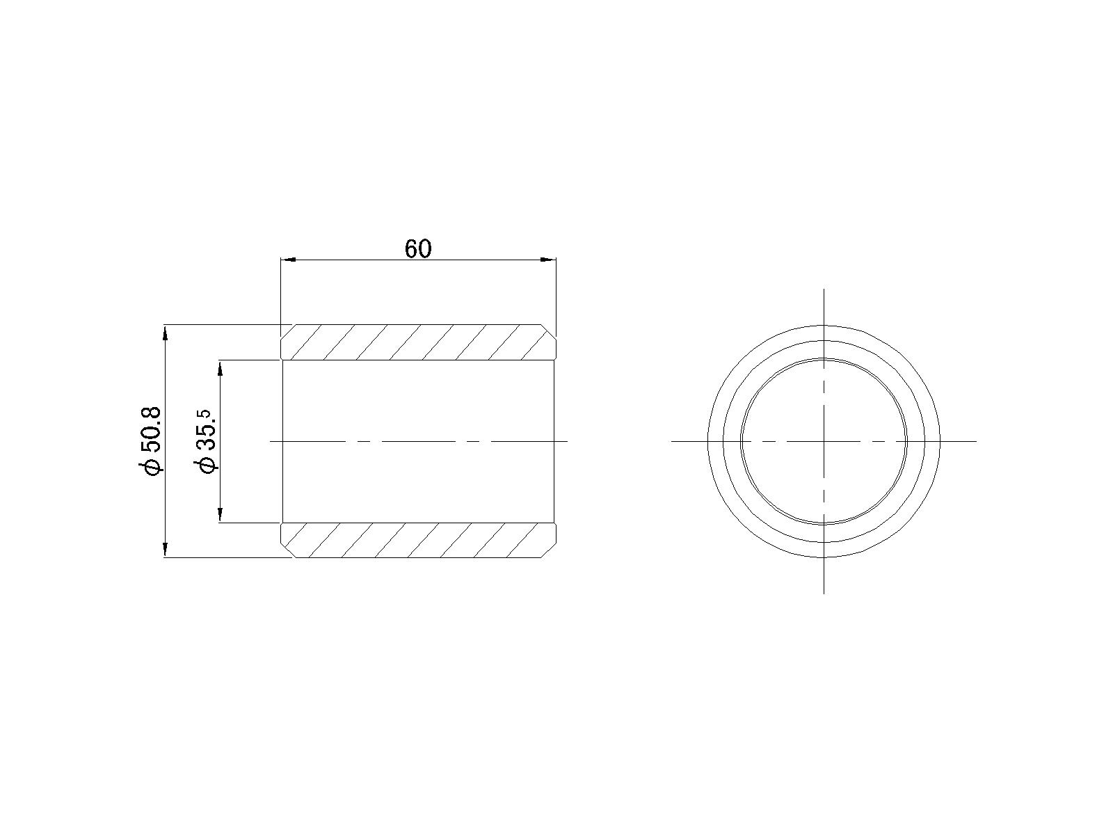
寸法//内径:φ35.4mm
寸法図//
表面処理//生地
仕様//シャフト径:φ35用
【商品紹介】
ダンプ自動シート掛け クイックのセットE62FNやE100Fの補修用のアームボスです。本製品は、アームを製作する前のアーム棒や補強が無い筒の状態です。アーム棒や補強は付属しておりませんので、改造用途としてお使いください。シャフト径:φ35用としてお使い頂けます。
◆必ずお読み下さい
※本製品は、御取り寄せ品です。
※本製品は、ご返品不可です。ご了承下さい。 ⇒キャンセル・ご返品について
eコンシェルジュからのお知らせ
商品に関連した知識データベースの記事
その他の関連記事はこちら
現在商品レビューはありません....


