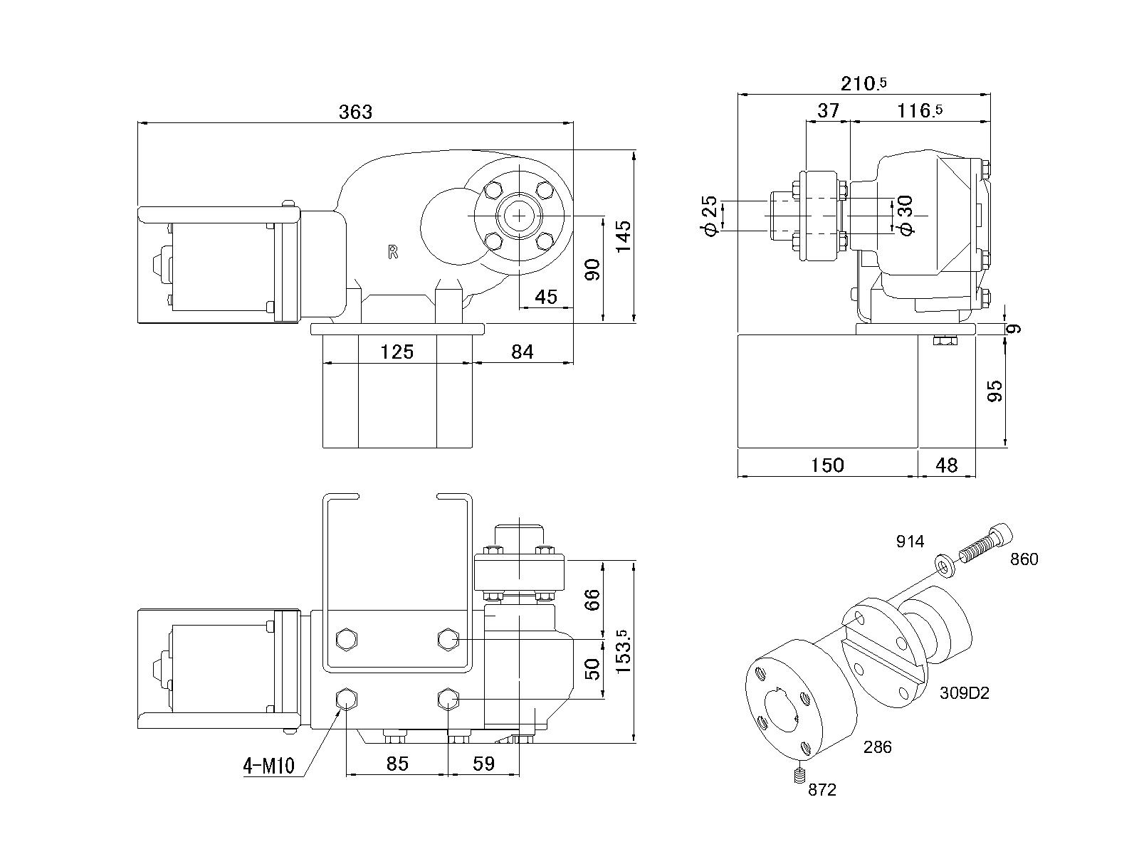
材质:减速器、臂毂、金属毂、联轴器等:铁
尺寸//轴侧联轴器内径:φ28mm,标准套装重量:46.0kg
方面 // 
表面处理//喷漆
规格//适用于大型自卸卡车,无臂杆(仅φ28臂毂),自动切断时输出扭矩:392N・m(40kgf・m),额定电压:DC24V,自动切断电流:16A,动作时间(无负载):20.5秒/270度
[产品描述]
这是田村总成自卸卡车自动座椅吊架Quick E42FN型的套件(套件)。适用于大型自卸卡车。轴径:φ28,臂毂和金属毂规格。臂毂是安装在圆柱形臂根部轴上的零件,客户需自备臂杆,并将其加工焊接成臂毂。金属毂是安装在圆柱形轴上的零件,客户需自备用于安装在自卸卡车车身上的支架,并将其加工焊接成金属毂。
[笔记]
该套装不包含座位。
它配有臂毂和金属毂规格。
| *本产品由制造商直接发货。 *不提供货到付款服务。 ※无法配送至冲绳及偏远岛屿。(佐渡岛不属于偏远岛屿。) *送货可能需要两周时间。(*如果您通过银行转账付款,我们将在确认您的付款后) 感谢您的理解。 |
◆请阅读
*请注意,订购后该产品无法取消、更换或退货。
⇒ 关于取消和退货
电子礼宾服务通知
与产品相关的知识库文章
其他相关文章
现在没有商品评价……