Material: Steel SS400
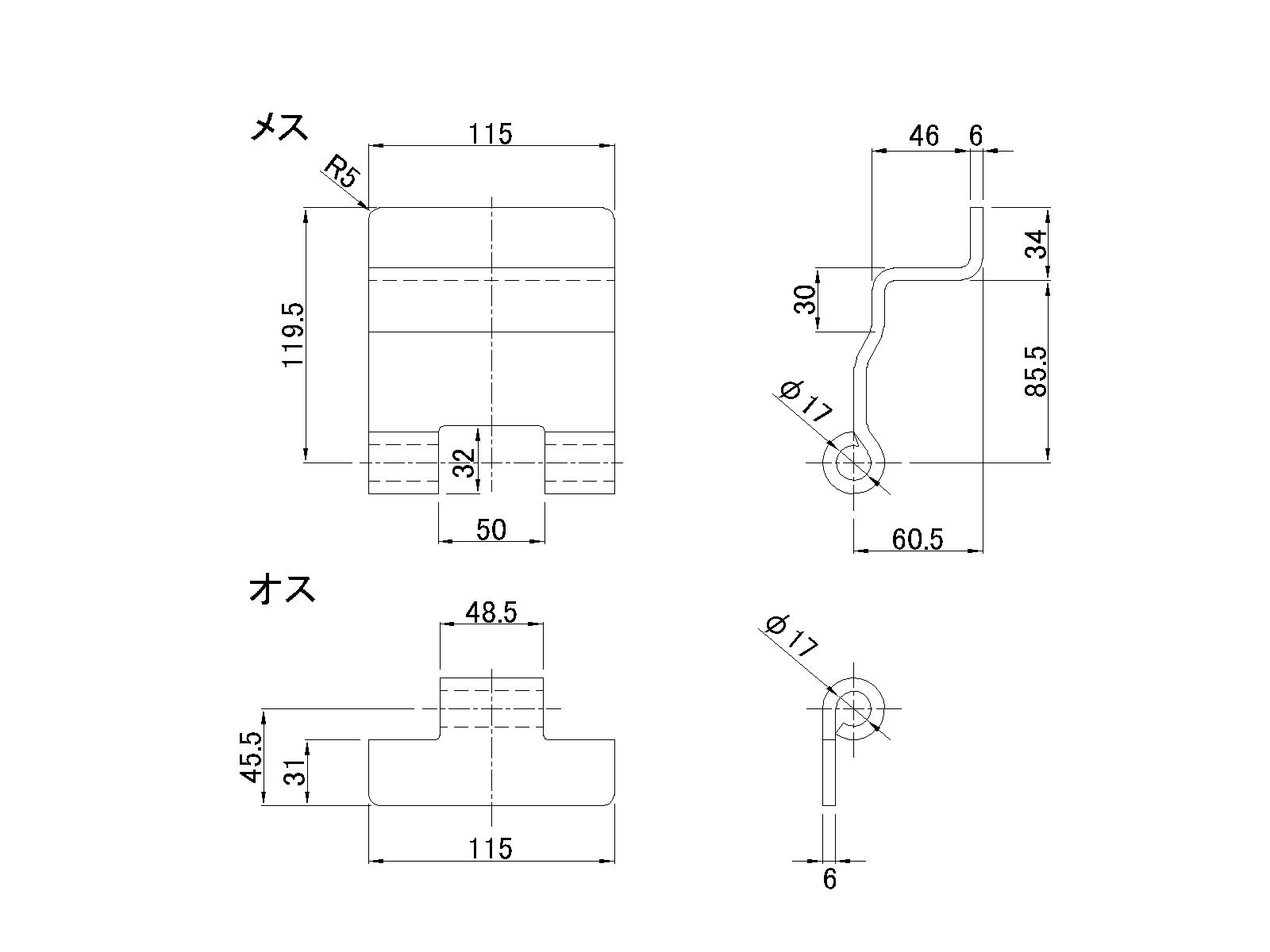
Dimensions // Hinge width: 115mm, plate thickness: 6mm, pin hole diameter: 17mm, weight: 1.22kg
Dimensions // 
Surface treatment // Fabric
Specifications // Rear, for angle 6 x 50, applicable hinge pin: 16 x 127 mm
[Product Introduction]
This hinge is used for an iron gate assembled from angle 6 x 50 steel material. It can be used for a rear gate. The plate thickness is 6 mm, so it is strong. Please note that the hinge pin is not included. The hinge width is 115 mm, so a gate hinge pin with a round head of 16 x 127 mm will fit.
◆Please read
*This product is a special order item.
*This product cannot be returned. Thank you for your understanding. ⇒About cancellations and returns
Notice from e-Concierge
Knowledge base articles related to the product
Other related articles
No review on this item...

