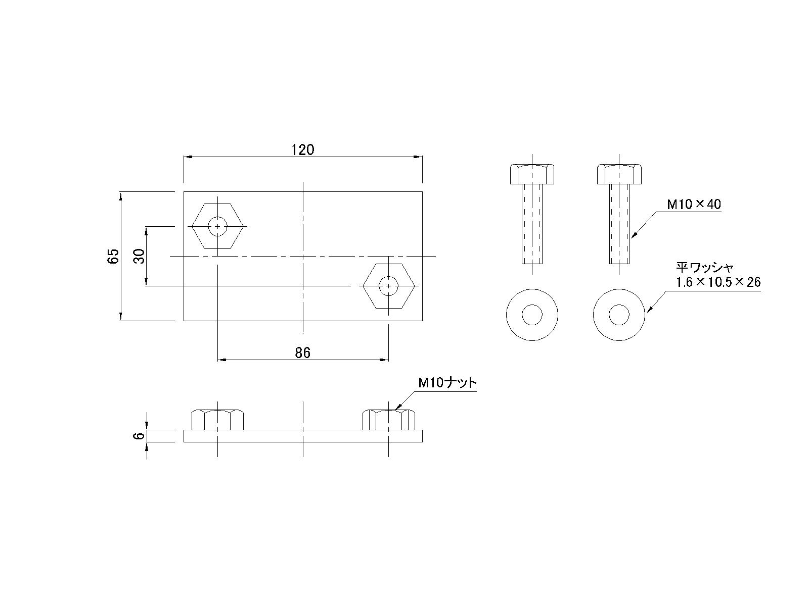
材質//鉄製
寸法//横:109.0×縦:90.7×板厚み:41.5mm、重量:1.12kg/セット
仕様//最大使用荷重:0.77t、50mmピッチのラッシングレール用
【特徴】

〇ダブルワンピース金具 WP-1-50は、従来型の2ヶ所固定のワンピース金具と比較して4ヶ所固定となりますので、素材の強度が低いアルミ製のラッシングレールに使用する事で特に引っ張り強度の向上が出来ます。
【ダブルワンピース金具 WP-1-50へのラッシングベルトの差込み方法】

〇ダブルワンピース金具 WP-1-50をラッシングレールに設置後、ラッシングベルトのワンピース金具をダブルワンピース金具 WP-1-50の差込み口に設置してください。
※安全荷重にてご使用ください。
※ベルトの破損、すり切れ、焦げ、等がある時は使用はしないでください。
※鋭利な角、高温、酸の強い場所でのご使用は避けてください。
◆必ずお読み下さい
※本製品は、御取り寄せ品です。
※本製品は、ご返品不可です。ご了承下さい。 ⇒キャンセル・ご返品について
eコンシェルジュからのお知らせ
商品に関連した知識データベースの記事
その他の関連記事はこちら
現在商品レビューはありません....



